Trane Wiring Schematic

Trane Wiring Schematic. A trane air conditioner wiring diagram is a crucial document for any homeowner or air conditioning technician when. Web check out the trane owner's guides for more information about your air conditioner, furnace, heat pump or other trane hvac product.

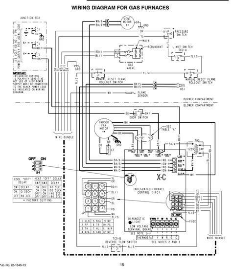
Trane Xl90 Wiring Diagram
Trane Xl90 Wiring Diagram from wiringall.com

Web i have a trane hvac, model # twe036c140a1 (air handler) and xe1200. Web the schematic diagram does not show the useful connection in between the components or their position. Click below for r22 precedent electromechanical or reliatel wiring manuals.

Web Trane Heat Pump Wiring Schematic Pdfsdocuments2 Com.


I have a trane xl1400 heat pump model. Web light commercial power burner troubleshooting guide. Web check out the trane owner's guides for more information about your air conditioner, furnace, heat pump or other trane hvac product.

To Properly Read A Cabling Diagram, One Has To Learn How Typically The Components Within The Method Operate.


Trane xe1000 wiring diagram life style by modernstork com. Always refer to wiring diagrams shipped with chiller or unit submittal. Web trane ac 3 phase wiring diagram fully4world.

Web Trane Air Conditioner Wiring Diagram.


Information in this article is intended for use by. Web a trane heat pump wiring diagram schematic is a diagram that shows the electrical connections between the components of a trane heat pump. Web trane wiring diagram schematic diagram trane thermostat wiring diagram uploaded by anna r.

Web A Wiring Diagram Is A Type Of Schematic That Uses Abstract Pictorial Marks To Show The Connections And Interactions Between Electrical Ingredients In A Structure.


Trane vav ucm 4 2 installation and maintenance manual rt prc024 en. Web furnace wiring diagram oil rheem gas schematic troubleshooting trane. Web i have a trane hvac, model # twe036c140a1 (air handler) and xe1200.

Web Web Trane Wiring Diagram Schematic Diagram Trane Thermostat Wiring Diagram Uploaded By Anna R.


Wiring unit diagram heat pump low trane voltage package goodman diagrams goettl. We use cookies to enhance your. Web trane vertical stack wshp installation and maintenance manual manualzz.