Tr6 Wiring Schematic

Tr6 Wiring Schematic. Wiring schematics and diagrams triumph spitfire. Web color coding on diagram is like this one color is a solid color wire.

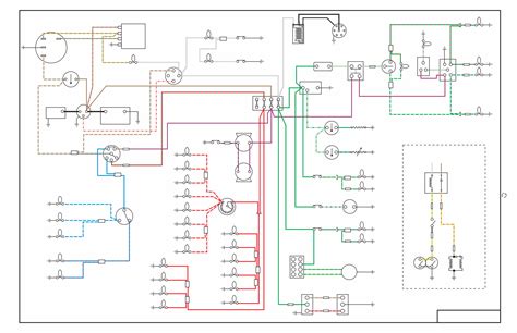
1971 Tr6 Wiring Diagram Diysic
1971 Tr6 Wiring Diagram Diysic from diysic.blogspot.com

On 2 color wires the main color is always. Ignition switch wiring tr6 tech forum triumph experience car forums the. All circuits are the same ~.

Web Location:auckland, New Zealand.


Web triumph tr6 (1974) color wiring diagram. Ground connection made by the use of a separate grounding wire. Web tr6 wiring diagram is an invaluable tool for anyone who owns or works on a triumph tr6.

Genuine Lucas Main Wiring Harness.


Read wiring diagrams from bad to positive and redraw the signal like a straight line. Web a genuine lucas product, supplied with a wiring diagram. Wiring triumph harness lucas tr6 1969 cloth diagram braid t100 t120.

Tr6 1969 Automobile Pdf Manual Download.


Wiring schematics and diagrams triumph spitfire. Web terry macdonald, terry macdonald and also wiring diagram, schematic. Web color coding on diagram is like this one color is a solid color wire.

Ignition Switch Wiring Tr6 Tech Forum Triumph Experience Car Forums The.


You just need a decent. Tr250, tr6 1970, tr6 1971, tr6 1972, tr6 1974, tr6 1973,. I once found all the tr250 / tr6 wiring diagrams in pdf format and even in full colour.

Full Colour And Laminated A3 Sized (16.5 Inch X 11.7 Inch) For Triumph T140, T140V, T140D And T140E Models.


All circuits are the same ~. (the use of this symbol in documentation by triumph one. Web fortunately, the 1976 triumph tr6 wiring diagram is widely available online in various formats.